Dakota digital SBI-100BT help anyone?

The coefficient is the multiplication/calibration factor. I guess that makes sense since the ISS is helping the transmission figure out if there is any slip in the transmission itself (failing/weak clutches).

Since your gear is a red 26 tooth that means the speedometer cable turns half as fast as the output shaft (13/26) = 0.5 If the ISS and OSS are locked together in 3rd (1:1 ratio) then what you read for the ISS should match the OSS. From what I read the ISS is also 40 pulses per revolution. So what that means for your scenario is that for every 40 pulses on the ISS (per revolution) your VSS is only outputting 4 pulses per revolution in 3rd gear. You would need to achieve a 10X multiplication to get the VSS to match the ISS.

1734305278785.png

Based on the above from the manual you can use the L-H output mode, OUT5 to get 8X, then a 1.25 calibration factor in the SGI-100BT for the VSS output to the computer. Maybe pull that wire off I asked you to connect? It seems seems weird to leave it hanging.

As far as the computer is concerned for speed:

The tires are about 30.5" in diameter, so πD (3.1416 x 30.5) = 95.82" per axle revolution. That equates to 661.24 revolutions (5280 ft/mi x 12in/ft)/(95.82 in/rev) per mile. Multiplying by the axle ratio of 2.73:1 nets you 1805.2 output shaft revolutions per mile. Using the above 0.5 speedometer ratio nets you 902.6 revolutions of the speedometer cable per mile. Multiplying by 8 for the Dakota Digital speedo sensor results in 7220.74 pulses per mile. This would require calibration for the ECU to "think" the correct speed. 8000/7220.74 = 1.1079. Your tuner guy should know what to do with that information.
 
The coefficient is the multiplication/calibration factor. I guess that makes sense since the ISS is helping the transmission figure out if there is any slip in the transmission itself (failing/weak clutches).

Since your gear is a red 26 tooth that means the speedometer cable turns half as fast as the output shaft (13/26) = 0.5 If the ISS and OSS are locked together in 3rd (1:1 ratio) then what you read for the ISS should match the OSS. From what I read the ISS is also 40 pulses per revolution. So what that means for your scenario is that for every 40 pulses on the ISS (per revolution) your VSS is only outputting 4 pulses per revolution in 3rd gear. You would need to achieve a 10X multiplication to get the VSS to match the ISS.

View attachment 430419
Based on the above from the manual you can use the L-H output mode, OUT5 to get 8X, then a 1.25 calibration factor in the SGI-100BT for the VSS output to the computer. Maybe pull that wire off I asked you to connect? It seems seems weird to leave it hanging.

As far as the computer is concerned for speed:

The tires are about 30.5" in diameter, so πD (3.1416 x 30.5) = 95.82" per axle revolution. That equates to 661.24 revolutions (5280 ft/mi x 12in/ft)/(95.82 in/rev) per mile. Multiplying by the axle ratio of 2.73:1 nets you 1805.2 output shaft revolutions per mile. Using the above 0.5 speedometer ratio nets you 902.6 revolutions of the speedometer cable per mile. Multiplying by 8 for the Dakota Digital speedo sensor results in 7220.74 pulses per mile. This would require calibration for the ECU to "think" the correct speed. 8000/7220.74 = 1.1079. Your tuner guy should know what to do with that information.
thank you very much, I hope he can use this tomorrow to finish this up. bless you buddy
 
thank you very much, I hope he can use this tomorrow to finish this up. bless you buddy
Hope it works. Just so we are clear you are NOT using a calibration factor for speed, based on what you told me the Dakota Digital box is being used to get you back to 40 pulses per revolution on the VSS and nothing more. Doing "speed" tuning (for limiters and etc) should be done at the ECU. From everything I read the TCM is sending a 4k ppm proportional signal to the ECU based on the input it receives. The speed output needs to be boosted about that 10% number in my last post to be relatively accurate if how I understand all this is correct. You would use a reader/tuner while driving to"see" what the ECU thinks the speed is. Since you are not using a digital speedometer that is the only way to do it. Now, with all that said the physical mechanical speedometer will be reading slow without mechanical correction. That would entail changing the speedometer gear (which would mess up the digital calibration) or insert a ratio box on the cable (percentage based on change in tire diameter).
 
Just so we are clear you are NOT using a calibration factor for speed, based on what you told me the Dakota Digital box is being used to get you back to 40 pulses per revolution on the VSS and nothing more. Doing "speed" tuning (for limiters and etc) should be done at the ECU.
if I understand your question correctly, NO we are not. This is just so the Transmission shifts/performs properly as it would in a normal stock configuration. No performance add-ons or enhancers...this customer just wanted a reliable LS swap for daily driving nothing more. The downshifting is the part that has me confused more than anything cause as I played with the SGI-100bt "calibration" adjustments while driving it over the weekend to "test" stuff,,,i could get the trans to rev out in gears by moving the CAL way up but then the Scanner would read that I was doing like 140mph when I was really doing 55mph lol...but no matter what it does not downshift once in 3 or OD with any throttle at all.
Based on the above from the manual you can use the L-H output mode, OUT5 to get 8X, then a 1.25 calibration factor in the SGI-100BT for the VSS output to the computer. Maybe pull that wire off I asked you to connect?
This seems weird/off to me as how i've been understanding this unit. OUT5 is OC (Open Collector)?? which according to DD techs they say it won't work cause it's square wave? or something like that?? Idk but I remember them saying you can't use out5 cause of some weird open collector thing
 
if I understand your question correctly, NO we are not. This is just so the Transmission shifts/performs properly as it would in a normal stock configuration. No performance add-ons or enhancers...this customer just wanted a reliable LS swap for daily driving nothing more. The downshifting is the part that has me confused more than anything cause as I played with the SGI-100bt "calibration" adjustments while driving it over the weekend to "test" stuff,,,i could get the trans to rev out in gears by moving the CAL way up but then the Scanner would read that I was doing like 140mph when I was really doing 55mph lol...but no matter what it does not downshift once in 3 or OD with any throttle at all.

This seems weird/off to me as how i've been understanding this unit. OUT5 is OC (Open Collector)?? which according to DD techs they say it won't work cause it's square wave? or something like that?? Idk but I remember them saying you can't use out5 cause of some weird open collector thing
Well the other way about it would be to use OUT3 and scale it back. Use a 0.625 calibration factor. (4 x 16 x 0.625 = 40) I did read something about that square wave thing and forgot OUT5 is oc.
 
1734399570718.png


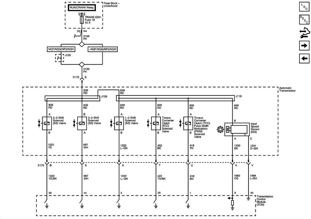
Correct me if I'm wrong please but doesn't this show power to go through the NQH(transfer case module/wiring) before it goes into the TCM?? or am I looking at it backwards
 
forget the diagram for a second...
Do you think this 08 Truck platform with Electric shift NQH Transfer Case and Tcase Module is looking for a signal to know it's in 2Hi, 4Hi etc.. and because that part of the stock harness isn't being used and it doesn't have that signal it doesn't know what to do with the VSS signal...hence why nothing is working?? Maybe I'm now "looking" for something to be on my end of the wiring and honestly I hope it is at this point lol, I don't have issues admitting when I'm wrong as many of these as I do, it's a constant learning
 
That diagram is only showing 12V power going through some nodes before getting to the transmission and the TCM. In all my reading the only thing the transfer case module provide is a signal directly to the ECU to signal for low-range. The TCM does not get anything from the transfer case.

What was the results yesterday? I wish I could be a fly on the wall during tuning. I feel like something basic is being overlooked.
 
That diagram is only showing 12V power going through some nodes before getting to the transmission and the TCM. In all my reading the only thing the transfer case module provide is a signal directly to the ECU to signal for low-range. The TCM does not get anything from the transfer case.

What was the results yesterday? I wish I could be a fly on the wall during tuning. I feel like something basic is being overlooked.
well well well... so I spent about a good half day almost a full day rechecking all my wiring to the ECU the TCM everything just to make sure nothing on my end was done wrong then I went back to playing with the SGI 100 BT module and I tried a setting that I've not tried yet because well it just wouldn't make any sense but I did and lo and behold it works I drove it for 30 minutes it's like 90% ish right so then I called Dakota Digital techs and told him and I had him do the numbers for me and they're like yeah that's impossible cuz that's only putting out 12,000 PPM so the only reasonable explanation day came up with is that the ECU must not be Factory so it must be some kind of aftermarket AC Delco ECU that has some kind of different program in it that accepts something around 12,000 PPM value and uses that to shift with the factory transfer case that had a 40 tooth reluctant ring... and I think he's right cuz this is the only thing that makes sense all Gen 4 is require way way higher numbers so this has them baffled it has me baffled but whatever at this point I don't care I drove it enough it works now about 90% we just need to fine-tune what we have. I will say surprisingly with 273 gears now that the gears will wind out holy crap this thing hauls ass lol. the 1-2 shift is really hard, 2-3 smooth..don't know about OD, and it freaking downshifts finally lol. so yeah I'm lost but not gonna argue with whatever the numbers that this ECU is liking
 
waiting on tuner to be available to now dive into it since its mostly working
 
The tires are about 30.5" in diameter, so πD (3.1416 x 30.5) = 95.82" per axle revolution. That equates to 661.24 revolutions (5280 ft/mi x 12in/ft)/(95.82 in/rev) per mile. Multiplying by the axle ratio of 2.73:1 nets you 1805.2 output shaft revolutions per mile. Using the above 0.5 speedometer ratio nets you 902.6 revolutions of the speedometer cable per mile. Multiplying by 8 for the Dakota Digital speedo sensor results in 7220.74 pulses per mile. This would require calibration for the ECU to "think" the correct speed. 8000/7220.74 = 1.1079. Your
so I spoke to my tuner a bit ago, told him the new number and he says he never understood where/why Dakota digital people say Gen4 is looking for 128k ppm since factory reluctor ring is 40tooth...which he says makes more sense that it's mostly kinda working with the 12000ppm cause that matches "closer" to the value of the stock 40tooth ring and such when calculating tire/gears and all.
hes still unsure about the numbers cause he says in HP tuning you don't go by PPM, it want output driveshaft revolution per rpm I believe. I'm so lost and confused but I'm super happy that its shifting and downshifting mostly properly.

the above math I posted is that what we/he needs to do now? and is that math the right formula given the DD pulse generator is actually starting at 4k ppm because of the 26/13 speedometer gear? (instead of it starting at 8k ppm like advertised)
 
Glad it is getting closer, but what are your current settings?

This is where I wish I could sit with the tuner and see all the settings, because I would love to help make heads or tails of it.

I can help you make sense of the 128k ppm thing. If you have a 40 tooth reluctor on an output shaft, a 2.73:1 axle ratio, and a 30.5" tall tire it works out to about 73k ppm. (5280 ft/mi x 12in/ft) / (30.5in x Pi) x 2.73 x 40 = ~72,200 pulses per mile. While this is a pretty low end of the spectrum you would need to "range" in the many tens of thousands of pulses for the input from the VSS. If the same ratio was deeper that would be more pulses, say for instance the truck had the same tires but 3.42 gears, that would be just over 90k ppm. 4.10 gears would be just shy of 100k ppm. 4.56 is ~110k ppm. There will always be a calibration factor in the computer to compensate if it is scaling to see 128k ppm, this allows for those different axle ratios and tire sizes.

I would expect that the tuner is probably looking for pulses per revolution of the output shaft. If that is configurable using the DD configuration I last gave you outputting 40 pulses per revolution like a stock transmission you would just make the TCM ppr 40. The DD box is scaling up the pulses since with the speedometer gear ratio it is like you have 4 pulses per revolution, mechanically speaking. That is why it said you need to get it to multiply by 10. In L-H mode OUT3 is 16x, the using a 0.625 calibration scales it to 10x. The ECU then will have its own configuration but with the DD box set like that you should be able to treat it like it is "stock" and just adjust tire diameter and axle ratio. I am taking in generality since again I have no idea what the tuner software has for configurable parameters.

Can you post up a screen shot/picture of the VSS configuration screen from the tuner?
 
I would expect that the tuner is probably looking for pulses per revolution of the output shaft. If that is configurable using the DD configuration I last gave you outputting 40 pulses per revolution like a stock transmission you would just make the TCM ppr 40. The DD box is scaling up the pulses since with the speedometer gear ratio it is like you have 4 pulses per revolution, mechanically speaking. That is why it said you need to get it to multiply by 10. In L-H mode OUT3 is 16x, the using a 0.625 calibration scales it to 10x. The ECU then will have its own configuration but with the DD box set like that you should be able to treat it like it is "stock" and just adjust tire diameter and axle ratio. I am taking in generality since again I have no idea what the tuner software has for configurable parameters.

Can you post up a screen shot/picture of the VSS configuration screen from the tuner?
you are correct, the ECU in HP tuners is set up with Pulses per output shaft revolutions which stock is 40 (most all GM Trans/Tcases have a 40tooth reluctor wheel).
So the Setting on SGI-100BT that made this work is L-L OUT1 with a CAL of 3.5
(CAL set to 4 was too high, CAL set to 2.5 was too low so I ended up at 3.5 is where the ECU was responding pretty well to that PPM signal it is currently putting out)
According to DD tech/handbook, the L-L OUT1 with CAL 3.5 is where they got 12000PPM is what the ECU is seeing right now.

I did SOO much reading last night on VSS/PPM/PPRs etc etc and from my understanding now in all this is that it doesn't matter what "pulses per mile" signal you feed an LS ECU as long as you take that "ppm value" and scale it to match the ECU PPR that the TCU can actually use to perform shift scheduling and whatnot (which is what you were saying).
The worst part is DD people had me "dead set" on looking for that stupid 128k ppm output signal and focused on just that ....FALSE INFO they are giving out (and I will make them aware of this as I could've had this fixed/figured out over a week ago).
Had I "not" been so focused on/looking for that dumb 128k signal they kept telling me, I would've tried MUCH sooner playing around with the unit to achieve any and all possible PPM outputs which would've resulted in figuring out what I figured out yesterday and saved me and customer almost 2weeks of this nonsense. (Good lesson learned although, I've learned so much about VSS/PPM/PPRs/ISS/OSS and such that I believe I've finally gotten a grasp of how all this works and jives together)

Can you post up a screen shot/picture of the VSS configuration screen from the tuner?
not with him, he's way too busy to even do my tune right now BUT.....Hand tight, I just ordered my own MPVi3 Tuner and will be here in few days and I can show you the screen then myself as I will def be learning at least the "basics" of tuning so I can start doing stuff like this on my own (I really struggle waiting on people lol, like terribly bad, why I'm self employed, I cannot stand waiting on anyone to get something done haha)
I'm "pretty sure" this is the screen in HP Tuners that is available...or at least "one" of several ways to do it. I'm almost positive there are several ways to do this and some prefer one way vs the other!!

1734521532375.png
 
Glad it is working better. The one thing that I am still not 100% sure on is the pulses per revolution for the sensor; for some reason Dakota Digital just does not spell that out, they want to call everything "ppm" but clearly that has no correlation to reality with speedometer ratios, axle ratios, and tire sizes. The pulses per revolution is the key, but I cannot find it documented anywhere. So maybe the one thing I read about it doing 8 pulses per revolution is incorrect and that is where it would all go off the rails.

If I ever got into this stuff I would have an oscilloscope to be able to scale/read signals. I would be so frustrated flying blind and taking stabs at everything.

Here is a thread where someone stated using that sensor and that scaling to get it to work: 4 pulse per revolution speed sensor...
 
for some reason Dakota Digital just does not spell that out, they want to call everything "ppm" but clearly that has no correlation to reality with speedometer ratios, axle ratios, and tire sizes. The pulses per revolution is the key,
Correct that's what I was talking about earlier they're giving out false information for people using their pulse generators for transmission shifting signals it's way off, for speedometer use the 128k works but for transmission shifting pulses that's not what they should be telling people and in my case they get you focused on that high number when in reality you take their pulse generator and do the math on the output shaft revolutions and that's where you get the number that the ECU is going to want to talk to.
 
The other big piece of information from Dakota Digital that they can't quite answer is there pulse generator putting out 8K no matter the speed of your speedometer gear or is it based on the output speed of the speedometer gear and the guys can't tell me..they're like "yeah sure divided in half according to your Speedo gear" but at the same time they keep saying "well it puts out 8,000 PPM" so they don't know what the heck they're selling and talking about it's mind boggling. The only thing they do know for certain is like I said for electronic speedometers this is irrelevant it doesn't matter but for transmission shift pulses use this is a huge deal that they need to "reword" in their product advertising
 
well this just showed up..oh boy
FB_IMG_1734642329244.jpg
 
1734791560933.png


This is nuts lol, I cannot find this section/chart in the VCM Editor anywhere, man this HP Tuner software is MASSIVE lol. WOW, I've spent over 20hrs already looking through parameters, reading so many threads, have even tried changing some things probably a good dozen times yesterday and nothing has helped or changed...I'm still at it but dang I'm in over my head for sure as a newbie haha.
 
The tires are about 30.5" in diameter, so πD (3.1416 x 30.5) = 95.82" per axle revolution. That equates to 661.24 revolutions (5280 ft/mi x 12in/ft)/(95.82 in/rev) per mile. Multiplying by the axle ratio of 2.73:1 nets you 1805.2 output shaft revolutions per mile. Using the above 0.5 speedometer ratio nets you 902.6 revolutions of the speedometer cable per mile. Multiplying by 8 for the Dakota Digital speedo sensor results in 7220.74 pulses per mile. This would require calibration for the ECU to "think" the correct speed. 8000/7220.74 = 1.1079. Your tuner guy should know what to do with that information.
hey buddy, so you know "I'm the 'Tuner' now LMBO" so I don't know what to do with that 1.1079 number. Sorry to continue bothering you but I'm on my own since the Tuner is mia, no help from hp forums so here I am trying to figure things out. thanks man very much for all your time you have invested in this!!
 
this is what's in my software
17348335240556926885665345644374.jpg
 
stock tune the ISS was set at 30pulses and the output vss set to 40 pulses per rev on both of those...what you see is what it was/is stock. weird but this is confirmed with a brand new File I downloaded of a 2wd Stock 5.3 4l60 that I'm gonna build that file to start tomorrow in the morning
 
this is only other section for anything related to vss/speed settings. these parameters make no sense as to why some are disabled but as again confirmed to the stock 2wd file I downloaded and it's how it is
17348337831691875478849818860241.jpg
 
well well well...I finally fixed it!!
I did a Segment swap from a 08 2wd Silverado File into mine and that done it....my suspicion was that the 4wd Control Module was providing a signal that the TCM was looking for and because it didn't have it that's why nothing was working no matter what I've changed. I've learned a lot from this and after weeks of trial and error and countless hours of research on forums, I've def "broke the ice" on HP Tuners lol. I'm not a Tuner---nope--but I've unintentionally learned how to do all kinds of stuff just by trying out so much stuff to fix my issue.
@OnlyOneDR you are awesome dude! seriously appreciate so much time you spent doing research to familiarize yourself with the DD products and doing calculations with this issue and I can't thank you enough. God bless You brother, you are awesome people!! If you're ever in my area, at least swing by and have a beer and a meal on me. Happy blessed New Year to you buddy.
 
So anyone who does a Gen4 Factory Electric Shift 4wd into whatever and you're not using that electric shift transfer case, make sure you change the file to a Factory 2wd File that uses matching OS so you won't pull your hair out like I have!
 
Back
Top